Home » PRODUCTS » Control Components » 4F series Foot Valve

CATEGORIES

FEATURED PRODUCTS

4F series Foot Valve

loading

Share to:
Availability:

    Product Feature 

    1.Direct acting and normally closed type.
    2.If the duration of direction -change is long , the vakves wth lock may be selected
    3.The clamping framework is steady and reliable that it is easy and quick to unlock. However, with the limitation of the dimension of structure, it can’t bear frequent strong impact.
    4.Plastic guard with high strength may be selected

    Ordering code

    MODEL: 4F210-08L

    4F 210 _ 08 L
    Model 5/2 way
    Port size Note



    08: G1/4″ Blank: without lock




    L: with lock




    G: with guard




    LG: with lock and guard

    Specification

    Model 4F210-08 4F210-08L 4F210-08G 4F210-08LG
    Working Fluid Air (to be filtered by 40um filter element)
    Operating Acting type controlled by foot normal closed
    Port Size 1/4″ 1/4″ 1/4″ 1/4″
    Port and position 5/2 way
    Working pressure Range 0-0.8MPa (0-114psi)
    Proof Pressure 1.5MPa (215psi)
    Ambient  temperature 0-70℃
    Material of body  Aluminum alloy

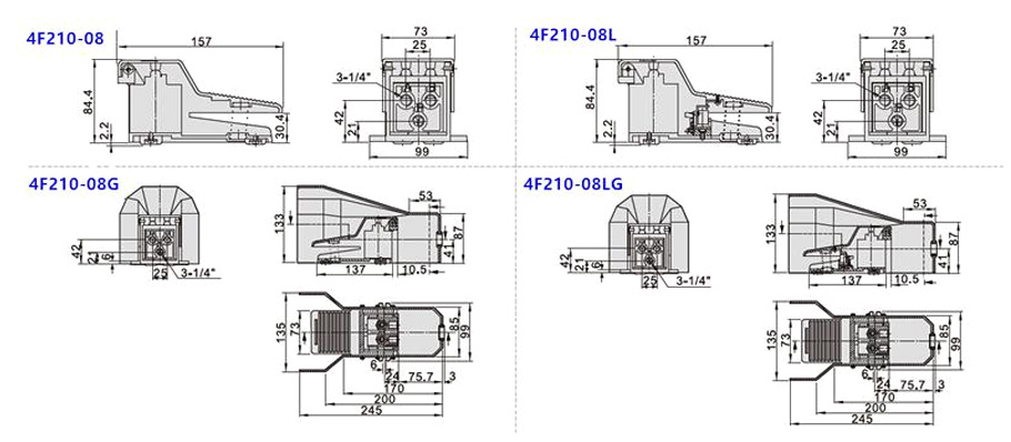
    Overall Dimension(mm)

    4F series Foot Valve





    HOT PRODUCTS

    Leave a Message
    Leave Your Message
     107/6/13/23, đường số 38, KP8, P. Hiệp Bình Chánh, Q. Thủ Đức, TP.HCM

    LIÊN HỆ: 0911009740

    LIÊN HỆ: 0941287270

    LIÊN HỆ: 0911353448

    LIÊN HỆ: 0911094774

    LIÊN HỆ: 0975484172

    LIÊN HỆ: 0915134988

    LIÊN HỆ: 0913877758

    LIÊN HỆ: 0911094664

    LIÊN HỆ: 0946401292

    LIÊN HỆ: 0918769098

    LIÊN HỆ: 0919977424

     thuyluckhinengiare@gmail.com
    © Copyright 2020 - 2026 Technical  Hot Products