Home » Air preparation G series FR.L combination

CATEGORIES

FEATURED PRODUCTS

Air preparation G series FR.L combination

loading

Share to:
Availability:

    O1CN01m1sKKo1OEjbmAT6TP_!!2200642471674

    O1CN01JGPetM1OEjbmATRFk_!!2200642471674

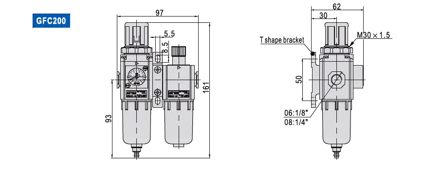
    Overall Dimension(mm)

    001 002

    Model A B BA C D K KA KB P PA Q
    GFC200-06 97 62 30 161 M30x1.5 5.5 50 8.5 PT1/8 93
    GFC200-08 97 62 30 161 M30x1.5 5.5 50 8.5 PT1/4 93
    GFC300-08 124 72 41.5 225.5 M40x1.5 6.5 70 9 PT1/4 143 G1/8
    GFC300-10 124 72 41.5 225.5 M40x1.5 6.5 70 9 PT3/8 143 G1/8
    GFC300-15 124 72 41.5 225.5 M40x1.5 6.5 70 9 PT1/2 143 G1/8
    GFC400-10 164 89 50 225.5 M55x2.0 8.5 80 12 PT3/8 166.5 G1/4
    GFC400-15 164 89 50 225.5 M55x2.0 8.5 80 12 PT1/2 166.5 G1/4

    Product Feature
    1.Quick and reliable mounting clamps makes it convenient to install and use .
    2.The performance of pressure adjustment is reliable with high precision.
    3.The efficiency of eliminating moisture and solid grain is high.

    Ordering code

     MODEL:   GFC300-10

     G FC 300 _ 10
    Series code Funcation Body size
    Port size

      FR.L 200
    06: 1/8

    combination 300
    08: 1/4


    400
    10:3/8




    15: 1/2

    Specification

    Model GFC200-06 GFC200-08 GFC300-08 GFC300-10 GFC300-15 GFC400-10 GFC400-15
    Components Filter-Regulator GFR200 GFR200 GFR300 GFR300 GFR300 GFR400 GFR400
    Lubricator GL200 GL200 GL300 GL300 GL300 GL400 GL400
    Port size   PT 1/8″ 1/4″ 1/4″ 3/8″ 1/2″ 3/8″ 1/2″
    Max. Flow L/min(ANR) 3000 3000 4500 4500 4500 6500 6500
    Working pressure Range 0.15-0.9 Mpa
    Max pressure (Mpa) 1.0 MPa
    Ambient  temperature   -5~60℃
    Filter accuracy 40um ( standard)   5um (option)
    Recommended oil: Turbine NO.1 oil (ISOVG32)
    Material of main part Body  Aluminum alloy
    Bowl PC
    Bowl guard GFC200 : without  ,  GFC300~ GFC400:  With (Iron)




    HOT PRODUCTS

    Leave a Message
    Leave Your Message
     107/6/13/23, đường số 38, KP8, P. Hiệp Bình Chánh, Q. Thủ Đức, TP.HCM

    LIÊN HỆ: 0911009740

    LIÊN HỆ: 0941287270

    LIÊN HỆ: 0911353448

    LIÊN HỆ: 0911094774

    LIÊN HỆ: 0975484172

    LIÊN HỆ: 0915134988

    LIÊN HỆ: 0913877758

    LIÊN HỆ: 0911094664

    LIÊN HỆ: 0946401292

    LIÊN HỆ: 0918769098

    LIÊN HỆ: 0919977424

     thuyluckhinengiare@gmail.com
    © Copyright 2020 - 2026 Technical  Hot Products