Home » PRODUCTS » Executive Components » CXSM Series Double Rod Cylinder

CATEGORIES

FEATURED PRODUCTS

CXSM Series Double Rod Cylinder

loading

Share to:
Availability:

    Ordering code

    MODEL: CXSM20 x 40

    CXSM 20 x 40 S
    Series code bore size x stroke blank: without magnet



    S: with magnet

    Specification

    Bore Size(mm) 6 10 15 20 25 32
    Working Fluid Air (to be filtered by 40um filter element)
    Acting type Double acting
    Highest operating pressure 0.7 MPa
    lowest operating pressure 0.15MPa 0.1MPa 0.05MPa
    Buffer Rubber buffer on both ends
    Adjustment stroke range 0-5mm
    Port size M5*0.8 1/8″
    Ambient  temperature -10-60℃( not frozen)
    Material of body  Aluminum alloy

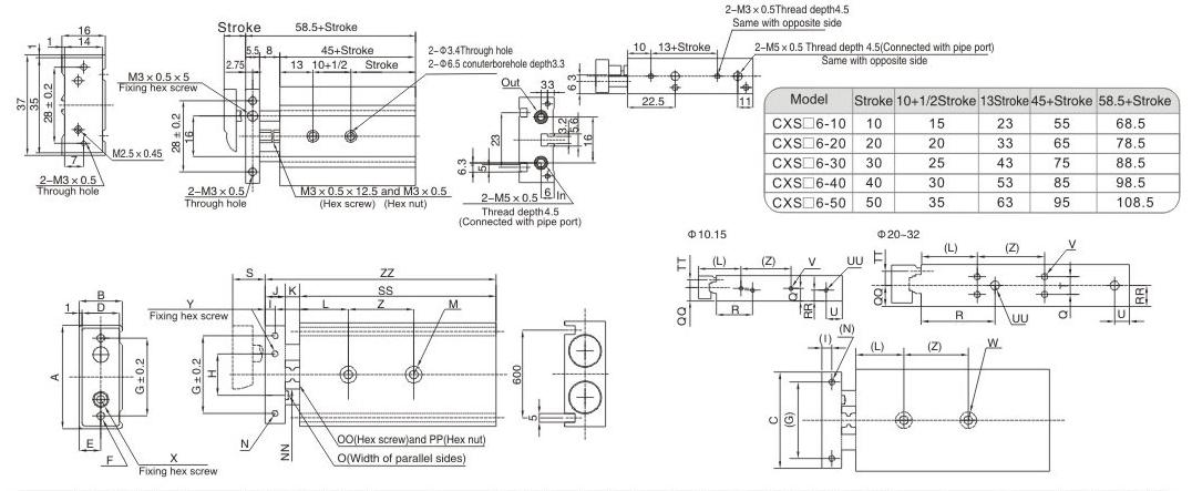
    Overall Dimension(mm)

    Q1

    Q2





    HOT PRODUCTS

    Leave a Message
    Leave Your Message
     107/6/13/23, đường số 38, KP8, P. Hiệp Bình Chánh, Q. Thủ Đức, TP.HCM

    LIÊN HỆ: 0911009740

    LIÊN HỆ: 0941287270

    LIÊN HỆ: 0911353448

    LIÊN HỆ: 0911094774

    LIÊN HỆ: 0975484172

    LIÊN HỆ: 0915134988

    LIÊN HỆ: 0913877758

    LIÊN HỆ: 0911094664

    LIÊN HỆ: 0946401292

    LIÊN HỆ: 0918769098

    LIÊN HỆ: 0919977424

     thuyluckhinengiare@gmail.com
    © Copyright 2020 - 2026 Technical  Hot Products